欢迎访问云开体育
云开体育 充气柜系列 环网柜系列 固体柜系列

全国咨询热线0577-61568666
13587778152

全国咨询热线:0577-61568666
您的位置:首页 > 产品中心
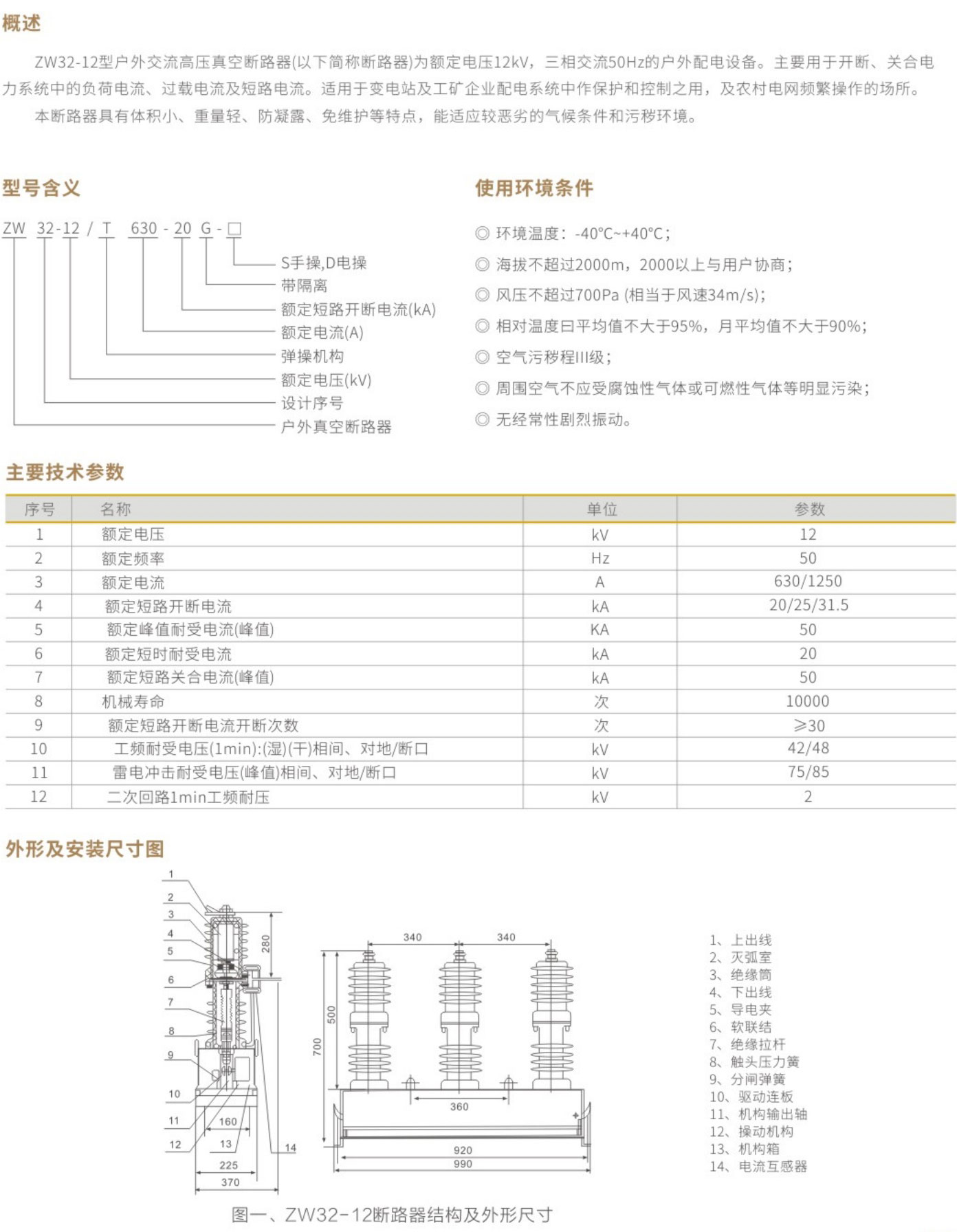
ZW32-12户外交流高压真空断路器

电话:0577-61568666
销售:13587778152
邮箱:keeya2009@163.com
地址:浙江省乐清市经济开发区纬十二路208号


ZW32-12户外交流高压真空断路器

  • 详情说明

云开体育

一家生产和研发,销售为一体的科技型发展企业

电话

顶部

咨询